注意:访问本站需要Cookie和JavaScript支持!请设置您的浏览器! 打开购物车 查看留言付款方式联系我们
初中电子 单片机教材一 单片机教材二
搜索上次看见的商品或文章:
商品名、介绍 文章名、内容
首页 电子入门 学单片机 免费资源 下载中心 商品列表 象棋在线 在线绘图 加盟五一 加入收藏 设为首页
本站推荐:
带时间显示的电机正反转控制电路
文章长度[2430] 加入时间[2006/7/1] 更新时间[2026/2/2 11:08:47] 级别[3] [评论] [收藏]

2003年,第6期,类别:智能电子


    在工业控制及日常生活用品中,经常会遇到要求驱动电机先正转一段时间再反转一段时间,然后又正转一段时间再反转一段时间,周而复始循环运转的情况。在要求定时精度较高和必须显示定时时间,特别是需要经常调整运行时间时,机械或电子式定时机构就力不从心了。本文介绍用单片机控制电机正反转的电路,其特点如下:
    1. 具有正反转运行时间任意设定功能。用户可根据要求,随意调整正反转运行时间,调整范围为:1)0.1秒~9.9秒,精度0.1秒;2)1秒~99秒,精度为1秒;3)1分~99分,精度为1分。如有更高精度和更多位数的要求,可方便地进行扩展。
    2. 具有正反转时间倒计时显示功能。工作时,显示剩余工作时间,对应的发光二极管发光,指示当前的工作状态。显示“00”,表示工作时间已到,相应的工作继电器断电,电机停止运行,指示停止状态的发光二极管LED4发光。
    3. 控制信号为等于或大于1.5V的正脉冲。根据实际情况,只要脉冲信号一到,即控制电机工作。设定的工作时间到后,电机停止,等待下一个脉冲信号,再来脉冲时,电机反向运转。对于电机运行期间来的脉冲,单片机不予理睬(如需要对定时工作期间来的脉冲信号进行等待处理,可修改软件)。
    4. 具有工作状态记忆功能。如上次断电前(或工作结束时)是正转,那么,在下次再来脉冲控制信号时将是反转。
    5. 有显示正转、反转、停止工作状态的发光二极管,方便、直观。
    一、工作原理
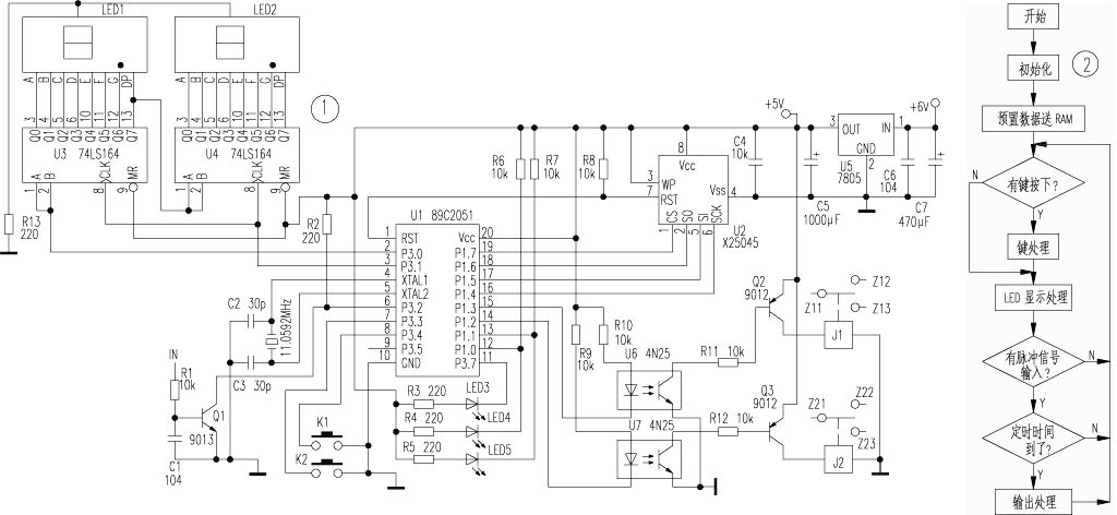
    电路原理见图1。U1为单片机89C2051,两个0.5英寸共阴数码管LED1、LED2显示工作时间,使用U3、U4(74LS164)驱动LED1、LED2。U3、U4由89C2051的串口P3.0、P3.1控制。串口工作于移位方式,P3.0为数据输出,P3.1为时钟输出。一片74LS164驱动一只LED数码管,一般情况下两只数码管需16只字段限流电阻,但根据本电路的实际情况,可以将两只LED的公共极相连,共用一只限流电阻(图1中的R13)。实际使用表明,用图中所示的阻值(220Ω),在供电电压为5V的情况下,驱动两只高亮度LED数码管,亮度上是很合适的。
    U2为可编程看门狗监控EEPROM X25045P。X25045P片内的EEPROM作为数据保护,看门狗定时器和Vcc电源监视器为89C2051提供独立的保护。当系统发生故障时,只要看门狗定时器溢出(看门狗定时器的溢出时间可在200ms、600ms和1.4s中编程设置,本控制电路设为200ms),在RST脚会自动产生高电平复位信号;当Vcc降至最小转换点以下、电源上电或掉电时,X25045P的RST脚也会产生复位信号,这样就保证了在系统接通、关断,瞬间电源电压不稳时,不会造成系统死机、数据误写等,大大提高了系统的可靠性和抗干扰能力,解决了单片机的死机、程序跑飞等问题。
    K1、K2分别为功能和位选、置数加1键。LED3、LED4、LED5分别为正转、停止、反转指示。P3.2为脉冲控制信号的输入口,用Q1进行隔离。为避免对单片机的干扰,输出口P1.2、P1.3使用了两只光耦U6、U7进行电气隔离,三极管Q2、Q3驱动线圈电压为5V的小型继电器J1、J2。
    二、软件设计
    软件流程图见图2。上电复位后,初始化相关串行口和输出口,将上次存入EEPROM中的定时数据取出送LED进行显示;扫描按键是否按下,如有键按下,则进行键处理,然后送显示,同时扫描有无脉冲控制信号输入,如有则进入倒计时显示程序;定时时间达到后,进行输出处理,根据标志信号决定是置零P1.2还是置零P1.3,控制相关的继电器(J1或J2)动作,使电机正转或反转。

                                                                         重庆  樊孝辉



1、 本站不保证以上观点正确,就算是本站原创作品,本站也不保证内容正确。
2、如果您拥有本文版权,并且不想在本站转载,请书面通知本站立即删除并且向您公开道歉! 以上可能是本站收集或者转载的文章,本站可能没有文章中的元件或产品,如果您需要类似的商品请 点这里查看商品列表!
本站协议 | 版权信息 |  关于我们 |  本站地图 |  营业执照 |  发票说明 |  付款方式 |  联系方式
深圳市宝安区西乡五壹电子商行——粤ICP备16073394号-1;地址:深圳西乡河西四坊183号;邮编:518102
E-mail:51dz$163.com($改为@);Tel:(0755)27947428
工作时间:9:30-12:00和13:30-17:30和18:30-20:30,无人接听时可以再打手机13537585389