| 注意:访问本站需要Cookie和JavaScript支持!请设置您的浏览器! • 打开购物车 • 查看留言 • 付款方式 • 联系我们 |
![]() |
| 首页 | 电子入门 | 学单片机 | 免费资源 | 下载中心 | 商品列表 | 象棋在线 | 在线绘图 | 加盟五一 | 加入收藏 | 设为首页 |
| 选择分类:当前分类——自制仪表 相关联或者相类似的文章: 各地消费者协会网址、投诉电话一览表(82) ds18b20读取温度的完整程序(79) 可测晶振的1000MHz频率计(78) 音频感应无线耳机的改进(70) 电阻箱(70) ATX电源控制电路的工作原理(70) 功放三个技术指标的测量(66) ATX电源控制电路的工作原理1(66) CXA1019(CXA1191)集成电路的应用(65) 一款人体感应开关(63) LED背光灯极(52) 国外汽车音响的新技术(44) 耳机功放IC TDA1308(43) 用TDA7294作耳机放大器(42) 用UBA2014的电子镇流器(38) 电学电路试验2.0用户手册下载(36) 实用的可调三端稳压模块(30) 集成霍尔传感器简介与检测方法(27) 用DS1302+AT89C2051控制的红外遥控LED电子钟(26) Keil C51软件的安装与使用(20) 首页 前页 后页 尾页 本站推荐: | 多频超声波发生器
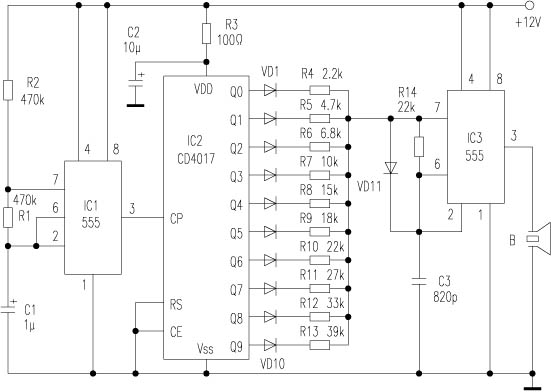
据有关资料介绍,蟑螂、蚊子等害虫甚至老鼠都对超声波厌恶,且每种害虫各有特定的厌恶频率,但各种害虫的厌恶频率具体是多少,目前尚无定论。本发生器可在23~64kHz范围内周而复始地变换着产生10种不同频率的超声波,如果你想验证超声波是否确有驱虫作用,本多频超声波发生器电路可供参考。 1、 本站不保证以上观点正确,就算是本站原创作品,本站也不保证内容正确。 2、如果您拥有本文版权,并且不想在本站转载,请书面通知本站立即删除并且向您公开道歉! |
|
本站协议 |
版权信息 |
关于我们 |
本站地图 |
营业执照 |
发票说明 |
付款方式 |
联系方式
深圳市宝安区西乡五壹电子商行——粤ICP备16073394号-1;地址:深圳西乡河西四坊183号;邮编:518102 E-mail:51dz$163.com($改为@);Tel:(0755)27947428 工作时间:9:30-12:00和13:30-17:30和18:30-20:30,无人接听时可以再打手机13537585389 |