| 注意:访问本站需要Cookie和JavaScript支持!请设置您的浏览器! • 打开购物车 • 查看留言 • 付款方式 • 联系我们 |
![]() |
| 首页 | 电子入门 | 学单片机 | 免费资源 | 下载中心 | 商品列表 | 象棋在线 | 在线绘图 | 加盟五一 | 加入收藏 | 设为首页 |
| 选择分类:当前分类——电子入门 相关联或者相类似的文章: 电子基础知识--变压器工作原理(749) 玩与感觉统合(747) 电感的外型与符号(740) 电池短路以后会有什么后果呢?(739) 隧道二极管脉冲电路(738) 电子制作中印制电路板设计(736) 电容好坏判别器 (720) 电子技术维修人员必须想想的问题!(709) 点亮发光二极管需要多大的电压?(708) 电声器件(707) 修复线路常用的方法 (706) 电子电路中的反馈电路(705) 电子技术重要性(704) 集成化高频振荡型接近开关技术说明(701) 数字电视技术英文专业词汇释义(696) CMOS集成电路使用注意事项(696) 让两套音箱共用一块声卡(696) 为什么数码管亮度不均匀?(692) 万用表的基本原理(690) 二极管稳压管的选用[转帖](689) 首页 前页 后页 尾页 本站推荐: | 隧道二极管脉冲电路
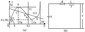
从图5(b)可见,反向二极管与隧道二极管串接后,其组合特性:在电压较低时由反向二极管决定:在电压较高时,与硅晶体管的正向特性类似,两者之间又存在负阻区,若按图5(b)设置静态点Q1,当A为低平电平时,B为高电平(0.8伏),BG3导通,集电极电压Uc3=3伏。BG4的射极输出端Uo为零伏低电平,当A点为负电平Um时,负载线向左转移,很快地进入另一稳定点Q3。UQ3低于BG3的载止电压,故BG3载止,输出,输出Uo为高电平,约18伏左右。一旦当A点回到零平时,负载线回到右边,工作点从Q3→P→F→Q1点,输出Uo又迅速回到零电平,由于隧道二极管的变化速度特别快,所以输出脉冲的前后沿很陡。晶体管示波器常用隧道二极管]作整形电路。 1、 本站不保证以上观点正确,就算是本站原创作品,本站也不保证内容正确。 2、如果您拥有本文版权,并且不想在本站转载,请书面通知本站立即删除并且向您公开道歉! |
|
本站协议 |
版权信息 |
关于我们 |
本站地图 |
营业执照 |
发票说明 |
付款方式 |
联系方式
深圳市宝安区西乡五壹电子商行——粤ICP备16073394号-1;地址:深圳西乡河西四坊183号;邮编:518102 E-mail:51dz$163.com($改为@);Tel:(0755)27947428 工作时间:9:30-12:00和13:30-17:30和18:30-20:30,无人接听时可以再打手机13537585389 |