| 注意:访问本站需要Cookie和JavaScript支持!请设置您的浏览器! • 打开购物车 • 查看留言 • 付款方式 • 联系我们 |
![]() |
| 首页 | 电子入门 | 学单片机 | 免费资源 | 下载中心 | 商品列表 | 象棋在线 | 在线绘图 | 加盟五一 | 加入收藏 | 设为首页 |
| 选择分类:当前分类——常用资料 相关联或者相类似的文章: 送给单片机爱好者——LED点阵在线编码器(1544) [原创]最新智能色环电阻识别程序(1517) 单片机系统中的汉字显示(1492) 带语音报数功能的抢答器(1489) 五一电子贵宾卡热卖中(1466) 简易音频集成功率放大器(1423) 步进电机驱动(1422) 自制大功率高效逆变模块 (1399) 整流电路详解 (1381) 面试技巧:不是我教你诈(1372) 漂亮MM3(1349) 用VB进行串口实时数据采集(1347) ++ 带限流保护的可调稳压电源 (1331) 本站免费资料的网址(1329) 爱好捕鱼的朋友千万别错过!(我的电鱼机制作经历)(1322) 招学徒,包吃住,免学费,发工资,招工程师(1305) 女孩子不应该学电子?(致女孩)(1302) 智慧的求职:才能和实力都不可少(1297) 测电阻法(1279) 分立电子开关、OTL功放详解(1274) 首页 前页 后页 尾页 本站推荐: | 自制大功率高效逆变模块
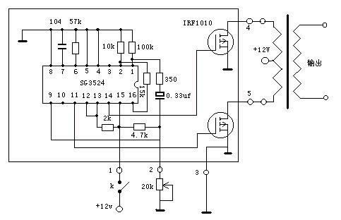
此电路的特点是体积小,效率高,在额定功率范围内温升很小,最大输出功率500W,若要增加功率只要增加并联功率场效应管,可以通过外接电位器进行脉宽调制。 1、 本站不保证以上观点正确,就算是本站原创作品,本站也不保证内容正确。 2、如果您拥有本文版权,并且不想在本站转载,请书面通知本站立即删除并且向您公开道歉! |
|
本站协议 |
版权信息 |
关于我们 |
本站地图 |
营业执照 |
发票说明 |
付款方式 |
联系方式
深圳市宝安区西乡五壹电子商行——粤ICP备16073394号-1;地址:深圳西乡河西四坊183号;邮编:518102 E-mail:51dz$163.com($改为@);Tel:(0755)27947428 工作时间:9:30-12:00和13:30-17:30和18:30-20:30,无人接听时可以再打手机13537585389 |