注意:访问本站需要Cookie和JavaScript支持!请设置您的浏览器! 打开购物车 查看留言付款方式联系我们
初中电子 单片机教材一 单片机教材二
搜索上次看见的商品或文章:
商品名、介绍 文章名、内容
首页 电子入门 学单片机 免费资源 下载中心 商品列表 象棋在线 在线绘图 加盟五一 加入收藏 设为首页
本站推荐:
DC12V→AC220V逆变电路
文章长度[6458] 加入时间[2007/2/2] 更新时间[2026/4/20 10:16:32] 级别[0] [评论] [收藏]

 

这里介绍的逆变器(见图)主要由MOS 场效应管,普通电源变压器构成。其输出功率取决于MOS 场效应管和电源变压器的功率,免除了烦琐的变压器绕制,适合电子爱好者业余制作中采用。下面介绍该逆变器的工作原理及制作过程。


 

工作原理


这里我们将详细介绍这个逆变器的工作原理。


方波信号发生器(见图3)


图3

这里采用六反相器CD4069构成方波信号发生器。电路中R1是补偿电阻,用于改善由于电源电压的变化而引起的振荡频率不稳。电路的振荡是通过电容C1充放电完成的。其振荡频率为f=1/2.2RC。图示电路的最大频率为:fmax=1/2.2×3.3×103×2.2×10-6=62.6Hz;最小频率fmin=1/2.2×4.3×103×2.2×10-6=48.0Hz。由于元件的误差,实际值会略有差异。其它多余的反相器,输入端接地避免影响其它电路。

场效应管驱动电路。


图4

由于方波信号发生器输出的振荡信号电压最大振幅为0~5V,为充分驱动电源开关电路,这里用TR1、TR2将振荡信号电压放大至0~12V。如图4所示。

MOS场效应管电源开关电路。
这是该装置的核心,在介绍该部分工作原理之前,先简单解释一下MOS 场效应管的工作原理。

图5

MOS 场效应管也被称为MOS FET, 既Metal Oxide Semiconductor Field Effect Transistor(金属氧化物半导体场效应管)的缩写。它一般有耗尽型和增强型两种。本文使用的为增强型MOS 场效应管,其内部结构见图5。它可分为NPN型PNP型。NPN型通常称为N沟道型,PNP型也叫P沟道型。由图可看出,对于N沟道的场效应管其源极和漏极接在N型半导体上,同样对于P沟道的场效应管其源极和漏极则接在P型半导体上。我们知道一般三极管是由输入的电流控制输出的电流。但对于场效应管,其输出电流是由输入的电压(或称电场)控制,可以认为输入电流极小或没有输入电流,这使得该器件有很高的输入阻抗,同时这也是我们称之为场效应管的原因。

图6

为解释MOS 场效应管的工作原理,我们先了解一下仅含有一个P—N结的二极管的工作过程。如图6所示,我们知道在二极管加上正向电压(P端接正极,N端接负极)时,二极管导通,其PN结有电流通过。这是因为在P型半导体端为正电压时,N型半导体内的负电子被吸引而涌向加有正电压的P型半导体端,而P型半导体端内的正电子则朝N型半导体端运动,从而形成导通电流。同理,当二极管加上反向电压(P端接负极,N端接正极)时,这时在P型半导体端为负电压,正电子被聚集在P型半导体端,负电子则聚集在N型半导体端,电子不移动,其PN结没有电流通过,二极管截止。

图7a 图7b

对于场效应管(见图7),在栅极没有电压时,由前面分析可知,在源极与漏极之间不会有电流流过,此时场效应管处与截止状态(图7a)。当有一个正电压加在N沟道的MOS 场效应管栅极上时,由于电场的作用,此时N型半导体的源极和漏极的负电子被吸引出来而涌向栅极,但由于氧化膜的阻挡,使得电子聚集在两个N沟道之间的P型半导体中(见图7b),从而形成电流,使源极和漏极之间导通。我们也可以想像为两个N型半导体之间为一条沟,栅极电压的建立相当于为它们之间搭了一座桥梁,该桥的大小由栅压的大小决定。图8给出了P沟道的MOS 场效应管的工作过程,其工作原理类似这里不再重复。

图8

下面简述一下用C-MOS场效应管(增强型MOS 场效应管)组成的应用电路的工作过程(见图9)。电路将一个增强型P沟道MOS场效应管和一个增强型N沟道MOS场效应管组合在一起使用。当输入端为低电平时,P沟道MOS场效应管导通,输出端与电源正极接通。当输入端为高电平时,N沟道MOS场效应管导通,输出端与电源地接通。在该电路中,P沟道MOS场效应管和N沟道MOS场效应管总是在相反的状态下工作,其相位输入端和输出端相反。通过这种工作方式我们可以获得较大的电流输出。同时由于漏电流的影响,使得栅压在还没有到0V,通常在栅极电压小于1到2V时,MOS场效应管既被关断。不同场效应管其关断电压略有不同。也正因为如此,使得该电路不会因为两管同时导通而造成电源短路。

图9

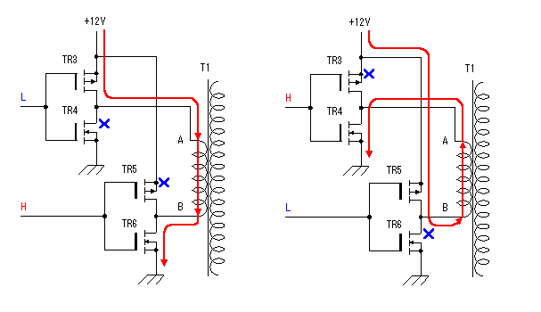
由以上分析我们可以画出原理图中MOS场效应管电路部分的工作过程(见图10)。工作原理同前所述。这种低电压、大电流、频率为50Hz的交变信号通过变压器的低压绕组时,会在变压器的高压侧感应出高压交流电压,完成直流到交流的转换。这里需要注意的是,在某些情况下,如振荡部分停止工作时,变压器的低压侧有时会有很大的电流通过,所以该电路的保险丝不能省略或短接。

图10


 

制作要点


电路板见图11。所用元器件可参考图12。逆变器用的变压器采用次级为12V、电流为10A、初级电压为220V的成品电源变压器。P沟道MOS场效应管(2SJ471)最大漏极电流为30A,在场效应管导通时,漏-源极间电阻为25毫欧。此时如果通过10A电流时会有2.5W的功率消耗。N沟道MOS场效应管(2SK2956)最大漏极电流为50A,场效应管导通时,漏-源极间电阻为7毫欧,此时如果通过10A电流时消耗的功率为0.7W。由此我们也可知在同样的工作电流情况下,2SJ471的发热量约为2SK2956的4倍。所以在考虑散热器时应注意这点。图13展示本文介绍的逆变器场效应管在散热器(100mm×100mm×17mm)上的位置分布和接法。尽管场效应管工作于开关状态时发热量不会很大,出于安全考虑这里选用的散热器稍偏大。

图11

图12

图13


 

逆变器的性能测试


测试电路见图14。这里测试用的输入电源采用内阻低、放电电流大(一般大于100A)的12V汽车电瓶,可为电路提供充足的输入功率。测试用负载为普通的电灯泡。测试的方法是通过改变负载大小,并测量此时的输入电流、电压以及输出电压。其测试结果见电压、电流曲线关系图(图15a)。可以看出,输出电压随负荷的增大而下降,灯泡的消耗功率随电压变化而改变。我们也可以通过计算找出输出电压和功率的关系。但实际上由于电灯泡的电阻会随受加在两端电压变化而改变,并且输出电压、电流也不是正弦波,所以这种的计算只能看作是估算。以负载为60W的电灯泡为例:

假设灯泡的电阻不随电压变化而改变。因为R灯=V2/W=2102/60=735Ω,所以在电压为208V时,W=V2/R=2082/735=58.9W。由此可折算出电压和功率的关系。通过测试,我们发现当输出功率约为100W时,输入电流为10A。此时输出电压为200V。逆变器电源效率特性见图15b。图16为逆变器连续100W负载时,场效应管的温升曲线图。图17为不同负载时输出波形图,供大家制作是参考。


图14

图15a 图15b

图16、17

1、 本站不保证以上观点正确,就算是本站原创作品,本站也不保证内容正确。
2、如果您拥有本文版权,并且不想在本站转载,请书面通知本站立即删除并且向您公开道歉! 以上可能是本站收集或者转载的文章,本站可能没有文章中的元件或产品,如果您需要类似的商品请 点这里查看商品列表!
本站协议 | 版权信息 |  关于我们 |  本站地图 |  营业执照 |  发票说明 |  付款方式 |  联系方式
深圳市宝安区西乡五壹电子商行——粤ICP备16073394号-1;地址:深圳西乡河西四坊183号;邮编:518102
E-mail:51dz$163.com($改为@);Tel:(0755)27947428
工作时间:9:30-12:00和13:30-17:30和18:30-20:30,无人接听时可以再打手机13537585389