| 注意:访问本站需要Cookie和JavaScript支持!请设置您的浏览器! • 打开购物车 • 查看留言 • 付款方式 • 联系我们 |
![]() |
| 首页 | 电子入门 | 学单片机 | 免费资源 | 下载中心 | 商品列表 | 象棋在线 | 在线绘图 | 加盟五一 | 加入收藏 | 设为首页 |
| 选择分类:当前分类——学单片机 相关联或者相类似的文章: 第一章 AT89S51单片机实验及实践系统板简介(441) 21. 拉幕式数码显示技术(440) 学习嵌入式技术的22绝技(437) [语音IC]ISD1420使用的单片机控制(437) 红外线遥控器解码程序(437) MSComm控件使用详解 (427) 一款简单的热水器控制电路设计(426) 26. 点阵式LED简单图形显示技术(423) 双路计数器加比较程序(413) 7. I/O并行口直接驱动LED显示(407) 23. 模拟计算器数字输入及显示(400) 18. “嘀、嘀、……”报警声(382) 关于单片机软件狗-平凡与张工的讨论(370) 谈单片机学习 (351) 2006单片机编程、实验、学习、开发、仿真板(312) KEELOQ滚动码编解码器与RFID(307) EZ编程器自制问答(306) 自制无源RS232-485转换器 (300) PLC和单片机一体工控板(280) ST Flash的管脚定义 (250) 首页 前页 后页 尾页 本站推荐: | 23. 模拟计算器数字输入及显示 1. 实验任务
(1. 开机时,显示“0”
(2. 第一次按下时,显示“D1”;第二次按下时,显示“D1D2”;第三按下时,显示“D1D2D3”,8个全显示完毕,再按下按键下时,给出“嘀”提示音。
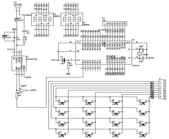
2. 电路原理图
![]() 图4.23.1
3. 系统板上硬件连线
(1. 把“单片机系统”区域中的P1.0端口用导线连接到“音频放大模块”区域中的SPK IN端口上;
(2. 把“单片机系统“区域中的P3.0-P3.7端口用8芯排线连接到“4X4行列式键盘”区域中的C1-C4 R1-R4端口上;
(3. 把“单片机系统”区域中的P0.0-P0.7端口用8芯排线连接到“动态数码显示”区域中的A-H端口上;
(4. 把“单片机系统:区域中的P2.0-P2.7端口用8芯排线连接到“动态数码显示”区域中的S1-S8端口上;
4. 相关程序设计内容
(1. 行列式键盘输入及按键功能设定;
(2. 动态数码显示;
(3. 数码显示方式处理;
5. 汇编源程序
(略)
6. C语言源程序
#include <AT89X51.H>
unsigned char code dispcode[]={0x3f,0x06,0x5b,0x4f,0x66,0x6d,0x7d,0x07,
0x7f,0x6f,0x77,0x7c,0x39,0x5e,0x79,0x71,0x00};
unsigned char code dispbitcode[]={0xfe,0xfd,0xfb,0xf7,0xef,0xdf,0xbf,0x7f};
unsigned char dispbuf[8]={0,16,16,16,16,16,16,16};
unsigned char dispbitcount;
unsigned char temp;
unsigned char i,j;
unsigned char key;
unsigned char keypos;
bit alarmflag;
void change(unsigned char *p,unsigned char count)
{
while(count>0)
{
*(p+count)=*(p+count-1);
count--;
}
}
void main(void)
{
TMOD=0x01;
TH0=(65536-4000) / 256;
TL0=(65536-4000) % 256;
TR0=1;
ET0=1;
EA=1;
while(1)
{
P3=0xff;
P3_4=0;
temp=P3;
temp=temp & 0x0f;
if (temp!=0x0f)
{
for(i=50;i>0;i--)
for(j=200;j>0;j--);
temp=P3;
temp=temp & 0x0f;
if (temp!=0x0f)
{
temp=P3;
temp=temp & 0x0f;
switch(temp)
{
case 0x0e:
key=7;
break;
case 0x0d:
key=8;
break;
case 0x0b:
key=9;
break;
case 0x07:
key=10;
break;
}
if ((key>=0) && (key<10))
{
keypos++;
if(keypos<8)
{
change(dispbuf,keypos);
dispbuf[0]=key;
}
else
{
keypos=8;
alarmflag=1;
}
}
temp=P3;
P1_0=~P1_0;
temp=temp & 0x0f;
while(temp!=0x0f)
{
temp=P3;
temp=temp & 0x0f;
}
alarmflag=0;
}
}
P3=0xff;
P3_5=0;
temp=P3;
temp=temp & 0x0f;
if (temp!=0x0f)
{
for(i=50;i>0;i--)
for(j=200;j>0;j--);
temp=P3;
temp=temp & 0x0f;
if (temp!=0x0f)
{
temp=P3;
temp=temp & 0x0f;
switch(temp)
{
case 0x0e:
key=4;
break;
case 0x0d:
key=5;
break;
case 0x0b:
key=6;
break;
case 0x07:
key=11;
break;
}
if ((key>=0) && (key<10))
{
keypos++;
if(keypos<8)
{
change(dispbuf,keypos);
dispbuf[0]=key;
}
else
{
keypos=8;
alarmflag=1;
}
}
temp=P3;
P1_0=~P1_0;
temp=temp & 0x0f;
while(temp!=0x0f)
{
temp=P3;
temp=temp & 0x0f;
}
alarmflag=0;
}
}
P3=0xff;
P3_6=0;
temp=P3;
temp=temp & 0x0f;
if (temp!=0x0f)
{
for(i=50;i>0;i--)
for(j=200;j>0;j--);
temp=P3;
temp=temp & 0x0f;
if (temp!=0x0f)
{
temp=P3;
temp=temp & 0x0f;
switch(temp)
{
case 0x0e:
key=1;
break;
case 0x0d:
key=2;
break;
case 0x0b:
key=3;
break;
case 0x07:
key=12;
break;
}
if ((key>=0) && (key<10))
{
keypos++;
if(keypos<8)
{
change(dispbuf,keypos);
dispbuf[0]=key;
}
else
{
keypos=8;
alarmflag=1;
}
}
temp=P3;
P1_0=~P1_0;
temp=temp & 0x0f;
while(temp!=0x0f)
{
temp=P3;
temp=temp & 0x0f;
}
alarmflag=0;
}
}
P3=0xff;
P3_7=0;
temp=P3;
temp=temp & 0x0f;
if (temp!=0x0f)
{
for(i=50;i>0;i--)
for(j=200;j>0;j--);
temp=P3;
temp=temp & 0x0f;
if (temp!=0x0f)
{
temp=P3;
temp=temp & 0x0f;
switch(temp)
{
case 0x0e:
key=0;
break;
case 0x0d:
key=13;
break;
case 0x0b:
key=14;
break;
case 0x07:
key=15;
break;
}
if ((key>=0) && (key<10))
{
keypos++;
if(keypos<8)
{
change(dispbuf,keypos);
dispbuf[0]=key;
}
else
{
keypos=8;
alarmflag=1;
}
}
temp=P3;
P1_0=~P1_0;
temp=temp & 0x0f;
while(temp!=0x0f)
{
temp=P3;
temp=temp & 0x0f;
}
alarmflag=0;
}
}
}
}
void t0(void) interrupt 1 using 0
{
TH0=(65536-4000) / 256;
TL0=(65536-4000) % 256;
P0=dispcode[dispbuf[dispbitcount]];
P2=dispbitcode[dispbitcount];
dispbitcount++;
if (dispbitcount==8)
{
dispbitcount=0;
}
if (alarmflag==1)
{
P1_1=~P1_1;
}
} 1、 本站不保证以上观点正确,就算是本站原创作品,本站也不保证内容正确。 2、如果您拥有本文版权,并且不想在本站转载,请书面通知本站立即删除并且向您公开道歉! |
|
本站协议 |
版权信息 |
关于我们 |
本站地图 |
营业执照 |
发票说明 |
付款方式 |
联系方式
深圳市宝安区西乡五壹电子商行——粤ICP备16073394号-1;地址:深圳西乡河西四坊183号;邮编:518102 E-mail:51dz$163.com($改为@);Tel:(0755)27947428 工作时间:9:30-12:00和13:30-17:30和18:30-20:30,无人接听时可以再打手机13537585389 |