| 注意:访问本站需要Cookie和JavaScript支持!请设置您的浏览器! • 打开购物车 • 查看留言 • 付款方式 • 联系我们 |
![]() |
| 首页 | 电子入门 | 学单片机 | 免费资源 | 下载中心 | 商品列表 | 象棋在线 | 在线绘图 | 加盟五一 | 加入收藏 | 设为首页 |
| 选择分类:当前分类——学单片机 相关联或者相类似的文章: 推荐一款小巧玲珑的PDF阅读软件(533) 9. 一键多功能按键识别技术(533) 27. ADC0809A/D转换器基本应用技术(533) 超短波物品遗留提醒报警器(533) 致各职业学校、电子初学者、电子爱好者(533) 一个男人的自白:找情人已经是件很老土的事了(532) protel 使用的60个问题和解答(532) “残局”骗术要当心 (532) 再度出击,20元打造经典PC遥控器!(531) SQL转ACCESS解决自动编号问题(531) LED显示应用:生产电子看板系统(530) 穷人为什么穷(530) 如何选择入门的教材(529) 经济实用的发射功率测试笔 (529) 用CD4046作镍镉电池快速充电器(529) 1.红外遥控噐软件解码及其应用(529) 电子元器件使用须知(四)(528) [转帖]网恋是怎样炼成的(528) 如何理解电容的高频和低频特性(528) PT2262/2272编解码集成电路介绍(528) 首页 前页 后页 尾页 本站推荐: | 35. DS18B20数字温度计使用 1.DS18B20基本知识
DS18B20数字温度计是DALLAS公司生产的1-Wire,即单总线器件,具有线路简单,体积小的特点。因此用它来组成一个测温系统,具有线路简单,在一根通信线,可以挂很多这样的数字温度计,十分方便。
1、DS18B20产品的特点
(1)、只要求一个端口即可实现通信。
(2)、在DS18B20中的每个器件上都有独一无二的序列号。
(3)、实际应用中不需要外部任何元器件即可实现测温。
(4)、测量温度范围在-55。C到+125。C之间。
(5)、数字温度计的分辨率用户可以从9位到12位选择。
(6)、内部有温度上、下限告警设置。
2、DS18B20的引脚介绍
TO-92封装的DS18B20的引脚排列见图1,其引脚功能描述见表1。
(底视图)
图1
表1 DS18B20详细引脚功能描述
3. DS18B20的使用方法
由于DS18B20采用的是1-Wire总线协议方式,即在一根数据线实现数据的双向传输,而对AT89S51单片机来说,硬件上并不支持单总线协议,因此,我们必须采用软件的方法来模拟单总线的协议时序来完成对DS18B20芯片的访问。
由于DS18B20是在一根I/O线上读写数据,因此,对读写的数据位有着严格的时序要求。DS18B20有严格的通信协议来保证各位数据传输的正确性和完整性。该协议定义了几种信号的时序:初始化时序、读时序、写时序。所有时序都是将主机作为主设备,单总线器件作为从设备。而每一次命令和数据的传输都是从主机主动启动写时序开始,如果要求单总线器件回送数据,在进行写命令后,主机需启动读时序完成数据接收。数据和命令的传输都是低位在先。
DS18B20的复位时序
DS18B20的读时序
对于DS18B20的读时序分为读0时序和读1时序两个过程。
对于DS18B20的读时隙是从主机把单总线拉低之后,在15秒之内就得释放单总线,以让DS18B20把数据传输到单总线上。DS18B20在完成一个读时序过程,至少需要60us才能完成。
DS18B20的写时序
对于DS18B20的写时序仍然分为写0时序和写1时序两个过程。
对于DS18B20写0时序和写1时序的要求不同,当要写0时序时,单总线要被拉低至少60us,保证DS18B20能够在15us到45us之间能够正确地采样IO总线上的“0”电平,当要写1时序时,单总线被拉低之后,在15us之内就得释放单总线。
4. 实验任务
用一片DS18B20构成测温系统,测量的温度精度达到0.1度,测量的温度的范围在-20度到+100度之间,用8位数码管显示出来。
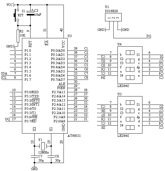
5. 电路原理图
![]() 6. 系统板上硬件连线
(1). 把“单片机系统”区域中的P0.0-P0.7用8芯排线连接到“动态数码显示”区域中的ABCDEFGH端子上。
(2). 把“单片机系统”区域中的P2.0-P2.7用8芯排线连接到“动态数码显示”区域中的S1S2S3S4S5S6S7S8端子上。
(3). 把DS18B20芯片插入“四路单总线”区域中的任一个插座中,注意电源与地信号不要接反。
(4). 把“四路单总线”区域中的对应的DQ端子连接到“单片机系统”区域中的P3.7/RD端子上。
7. C语言源程序
#include <AT89X52.H>
#include <INTRINS.h>
unsigned char code displaybit[]={0xfe,0xfd,0xfb,0xf7,
0xef,0xdf,0xbf,0x7f};
unsigned char code displaycode[]={0x3f,0x06,0x5b,0x4f,
0x66,0x6d,0x7d,0x07,
0x7f,0x6f,0x77,0x7c,
0x39,0x5e,0x79,0x71,0x00,0x40};
unsigned char code dotcode[32]={0,3,6,9,12,16,19,22,
25,28,31,34,38,41,44,48,
50,53,56,59,63,66,69,72,
75,78,81,84,88,91,94,97};
unsigned char displaycount;
unsigned char displaybuf[8]={16,16,16,16,16,16,16,16};
unsigned char timecount;
unsigned char readdata[8];
sbit DQ=P3^7;
bit sflag;
bit resetpulse(void)
{
unsigned char i;
DQ=0;
for(i=255;i>0;i--);
DQ=1;
for(i=60;i>0;i--);
return(DQ);
for(i=200;i>0;i--);
}
void writecommandtods18b20(unsigned char command)
{
unsigned char i;
unsigned char j;
for(i=0;i<8;i++)
{
if((command & 0x01)==0)
{
DQ=0;
for(j=35;j>0;j--);
DQ=1;
}
else
{
DQ=0;
for(j=2;j>0;j--);
DQ=1;
for(j=33;j>0;j--);
}
command=_cror_(command,1);
}
}
unsigned char readdatafromds18b20(void)
{
unsigned char i;
unsigned char j;
unsigned char temp;
temp=0;
for(i=0;i<8;i++)
{
temp=_cror_(temp,1);
DQ=0;
_nop_();
_nop_();
DQ=1;
for(j=10;j>0;j--);
if(DQ==1)
{
temp=temp | 0x80;
}
else
{
temp=temp | 0x00;
}
for(j=200;j>0;j--);
}
return(temp);
}
void main(void)
{
TMOD=0x01;
TH0=(65536-4000)/256;
TL0=(65536-4000)%256;
ET0=1;
EA=1;
while(resetpulse());
writecommandtods18b20(0xcc);
writecommandtods18b20(0x44);
TR0=1;
while(1)
{
;
}
}
void t0(void) interrupt 1 using 0
{
unsigned char x;
unsigned int result;
TH0=(65536-4000)/256;
TL0=(65536-4000)%256;
if(displaycount==2)
{
P0=displaycode[displaybuf[displaycount]] | 0x80;
}
else
{
P0=displaycode[displaybuf[displaycount]];
}
P2=displaybit[displaycount];
displaycount++;
if(displaycount==8)
{
displaycount=0;
}
timecount++;
if(timecount==150)
{
timecount=0;
while(resetpulse());
writecommandtods18b20(0xcc);
writecommandtods18b20(0xbe);
readdata[0]=readdatafromds18b20();
readdata[1]=readdatafromds18b20();
for(x=0;x<8;x++)
{
displaybuf[x]=16;
}
sflag=0;
if((readdata[1] & 0xf8)!=0x00)
{
sflag=1;
readdata[1]=~readdata[1];
readdata[0]=~readdata[0];
result=readdata[0]+1;
readdata[0]=result;
if(result>255)
{
readdata[1]++;
}
}
readdata[1]=readdata[1]<<4;
readdata[1]=readdata[1] & 0x70;
x=readdata[0];
x=x>>4;
x=x & 0x0f;
readdata[1]=readdata[1] | x;
x=2;
result=readdata[1];
while(result/10)
{
displaybuf[x]=result%10;
result=result/10;
x++;
}
displaybuf[x]=result;
if(sflag==1)
{
displaybuf[x+1]=17;
}
x=readdata[0] & 0x0f;
x=x<<1;
displaybuf[0]=(dotcode[x])%10;
displaybuf[1]=(dotcode[x])/10;
while(resetpulse());
writecommandtods18b20(0xcc);
writecommandtods18b20(0x44);
}
} 1、 本站不保证以上观点正确,就算是本站原创作品,本站也不保证内容正确。 2、如果您拥有本文版权,并且不想在本站转载,请书面通知本站立即删除并且向您公开道歉! |
|
本站协议 |
版权信息 |
关于我们 |
本站地图 |
营业执照 |
发票说明 |
付款方式 |
联系方式
深圳市宝安区西乡五壹电子商行——粤ICP备16073394号-1;地址:深圳西乡河西四坊183号;邮编:518102 E-mail:51dz$163.com($改为@);Tel:(0755)27947428 工作时间:9:30-12:00和13:30-17:30和18:30-20:30,无人接听时可以再打手机13537585389 |