注意:访问本站需要Cookie和JavaScript支持!请设置您的浏览器! 打开购物车 查看留言付款方式联系我们
初中电子 单片机教材一 单片机教材二
搜索上次看见的商品或文章:
商品名、介绍 文章名、内容
首页 电子入门 学单片机 免费资源 下载中心 商品列表 象棋在线 在线绘图 加盟五一 加入收藏 设为首页
本站推荐:
红外线遥控器解码程序
文章长度[] 加入时间[2008/6/17] 更新时间[2026/4/19 17:33:07] 级别[0] [评论] [收藏]
 

红外线遥控是目前使用最广泛的一种通信和遥控手段。由于红外线遥控装置具有体积小、功耗低、功能强、成本低等特点,因而,继彩电、录像机之后,在录音机、音响设备、空凋机以及玩具等其它小型电器装置上也纷纷采用红外线遥控。工业设备中,在高压、辐射、有毒气体、粉尘等环境下,采用红外线遥控不仅完全可靠而且能有效地隔离电气干扰。

1 红外遥控系统

通用红外遥控系统由发射和接收两大部分组成,应用编/解码专用集成电路芯片来进行控制操作,如图1所示。发射部分包括键盘矩阵、编码调制、LED红外发送器;接收部分包括光、电转换放大器、解调、解码电路。

2 遥控发射器及其编码

遥控发射器专用芯片很多,根据编码格式可以分成两大类,这里我们以运用比较广泛,解码比较容易的一类来加以说明,现以日本NECuPD6121G组成发射电路为例说明编码原理。当发射器按键按下后,即有遥控码发出,所按的键不同遥控编码也不同。这种遥控码具有以下特征:

采用脉宽调制的串行码,以脉宽为0.565ms、间隔0.56ms、周期为1.125ms的组合表示二进制的“0”;以脉宽为0.565ms、间隔1.685ms、周期为2.25ms的组合表示二进制的“1”,其波形如图2所示。

上述“0”和“1”组成的32位二进制码经38kHz的载频进行二次调制以提高发射效率,达到降低电源功耗的目的。然后再通过红外发射二极管产生红外线向空间发射,如图3所示。

UPD6121G产生的遥控编码是连续的32位二进制码组,其中前16位为用户识别码,能区别不同的电器设备,防止不同机种遥控码互相干扰。该芯片的用户识别码固定为十六进制01H;后16位为8位操作码(功能码)及其反码。UPD6121G最多额128种不同组合的编码。

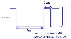
遥控器在按键按下后,周期性地发出同一种32位二进制码,周期约为108ms。一组码本身的持续时间随它包含的二进制“0”和“1”的个数不同而不同,大约在4563ms之间,图4为发射波形图。

当一个键按下超过36ms,振荡器使芯片激活,将发射一组108ms的编码脉冲,108ms发射代码由一个起始码(9ms,一个结果码(4.5ms,8位地址码(9ms~18ms,8位地址码(9ms~18ms,8位数据码(9ms~18ms)和这8位数据的反码(9ms~18ms)组成。如果键按下超过108ms仍未松开,接下来发射的代码(连发代码)将仅由起始码(9ms)和结束码(2.5ms)组成。

代码格式(以接收代码为准,接收代码与发射代码反向)

①位定义

   
      

②单发代码格式

       
 

③连发代码格式

注:代码宽度算法:



16位地址码的最短宽度:1.12×16=18ms 16位地址码的最长宽度:2.24ms×16=36ms

易知8位数据代码及其8位反代码的宽度和不变:(1.12ms+2.24ms)×8=27ms

32位代码的宽度为(18ms+27ms~(36ms+27ms)

1. 解码的关键是如何识别“0”和“1”,从位的定义我们可以发现“0”、“1”均以0.56ms的低电平开始,不同的是高电平的宽度不同,“0”为0.56ms,1”为1.68ms,所以必须根据高电平的宽度区别“0”和“1”。如果从0.56ms低电平过后,开始延时,0.56ms以后,若读到的电平为低,说明该位为“0”,反之则为“1”,为了可靠起见,延时必须比0.56ms长些,但又不能超过1.12ms,否则如果该位为“0”,读到的已是下一位的高电平,因此取(1.12ms+0.56ms/2=0.84ms最为可靠,一般取0.84ms左右均可。

2. 根据码的格式,应该等待9ms的起始码和4.5ms的结果码完成后才能读码。

    如果邮购我们开发的51单片机试验板和扩展元件的网友,可以获得如上图所示的红外遥控手柄,这种遥控器的编码格式符合上面的描述规律,而且价格低廉,有32个按键,按键外形比较统一,如果用于批量开发,可以把遥控器上贴膜换成你需要的字符,这为开发产品提供了便利。

接收器及解码

一体化红外线接收器是一种集红外线接收和放大于一体,不需要任何外接元件,就能完成从红外线接收到输出与TTL电平信号兼容的所有工作,而体积和普通的塑封三极管大小一样,它适合于各种红外线遥控和红外线数据传输。

下面是一个对51实验板配套的红外线遥控器的解码程序,它可以把上图32键的红外遥控器每一个按键的键值读出来,并且通过实验板上P1口的8LED显示出来,在解码成功的同时并且能发出“嘀嘀嘀”的提示音。

ORG 0000H
AJMP MAIN;
转入主程序
ORG 0003H ;
外部中断P3.2INT0入口地址
AJMP INT ;
转入外部中断服务子程序(解码程序)

;
以下为主程序进行CPU中断方式设置
MAIN:SETB EA ;
打开CPU总中断请求
SETB IT0 ;
设定INT0的触发方式为脉冲负边沿触发
SETB EX0 ;
打开INT0中断请求
;
以下对单片机的所有引脚进行初始化,全部设置成高电平
MOV P2,#11100111B
AJMP $

;以下为进入P3.2脚外部中断子程序,也就是解码程序
INT: CLR EA ;
暂时关闭CPU的所有中断请求
MOV R6,#10
SB: ACALL YS1;
调用882微秒延时子程序
JB P3.2,EXIT;
延时882微秒后判断P3.2脚是否出现高电平如果有就退出解码程序
DJNZ R6, SB;
重复10次,目的是检测在8820微秒内如果出现高电平就退出解码程序
;
以上完成对遥控信号的9000微秒的初始低电平信号的识别。
JNB P3.2, $ ;
等待高电平避开9毫秒低电平引导脉冲
ACALL YS2 ;
延时4.74毫秒避开4.5毫秒的结果码
MOV R1,#1AH ;
设定1AH为起始RAM
MOV R2,#4
PP: MOV R3,#8
JJJJ: JNB P3.2,$;
等待地址码第一位的高电平信号
LCALL YS1;
高电平开始后用882微秒的时间尺去判断信号此时的高低电平状态
MOV C,P3.2;
P3.2引脚此时的电平状态01存入C
JNC UUU;
如果为0就跳转到UUU
LCALL YS3
UUU: MOV A,@R1;
R1中地址的给
A
RRC A;
C中的值01移入A中的最低位

MOV @R1,A;
A中的数暂时存放在R1
DJNZ R3,JJJJ;
接收地址码的高8
INC R1;
R1中的值加1,换下一个RAM
DJNZ R2,PP ;
接收完16位地址码和8位数据码和8位数据反码,存放在1AH/1BH/1CH/1DHRAM

MOV P1,1DH;
将按键的键值通过P1口的8LED显示出来!
CLR P2.5;
蜂鸣器鸣响-嘀嘀嘀-的声音,表示解码成功

LCALL YS2
LCALL YS2
LCALL YS2
SETB P2.5;
蜂鸣器停止
EXIT: SETB EA ;
允许中断
RETI ;
退出解码子程序

YS1: MOV R4,#20 ;延时子程序1,精确延时882微秒
D1: MOV R5,#20
DJNZ R5,$
DJNZ R4,D1
RET
YS2: MOV R4,#10 ;
延时子程序2,精确延时4740微秒
D2: MOV R5,#235
DJNZ R5,$
DJNZ R4,D2
RET
YS3: MOV R4,#2;
延时程序3,精确延时1000微秒
D3:MOV R5,#248
DJNZ R5,$
DJNZ R4,D3
RET
END

1、 本站不保证以上观点正确,就算是本站原创作品,本站也不保证内容正确。
2、如果您拥有本文版权,并且不想在本站转载,请书面通知本站立即删除并且向您公开道歉! 以上可能是本站收集或者转载的文章,本站可能没有文章中的元件或产品,如果您需要类似的商品请 点这里查看商品列表!
本站协议 | 版权信息 |  关于我们 |  本站地图 |  营业执照 |  发票说明 |  付款方式 |  联系方式
深圳市宝安区西乡五壹电子商行——粤ICP备16073394号-1;地址:深圳西乡河西四坊183号;邮编:518102
E-mail:51dz$163.com($改为@);Tel:(0755)27947428
工作时间:9:30-12:00和13:30-17:30和18:30-20:30,无人接听时可以再打手机13537585389