注意:访问本站需要Cookie和JavaScript支持!请设置您的浏览器! 打开购物车 查看留言付款方式联系我们
初中电子 单片机教材一 单片机教材二
搜索上次看见的商品或文章:
商品名、介绍 文章名、内容
首页 电子入门 学单片机 免费资源 下载中心 商品列表 象棋在线 在线绘图 加盟五一 加入收藏 设为首页
本站推荐:
断丝日光灯废管的利用
文章长度[634] 加入时间[2006/7/1] 更新时间[2025/12/5 13:14:43] 级别[3] [评论] [收藏]
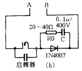
近日读98年9月20期《电子报》四种直接点燃日光灯电路,其中的一种把如图a接启辉器的A、B处改为b图,通过反复实验效果还不够理想。
在新窗口打开查看!
笔者再将图b略加改动如图c后,对两头未烧黑且一头断丝的20~40W日光灯能迅速点燃,速度之快真是出乎意料,特别是当市电电压降到170V左右灯管也能正常发光。
此电路的缺点是接通电源开关后还得按一下微动开关。
在新窗口打开查看!
在新窗口打开查看!
1、 本站不保证以上观点正确,就算是本站原创作品,本站也不保证内容正确。
2、如果您拥有本文版权,并且不想在本站转载,请书面通知本站立即删除并且向您公开道歉! 以上可能是本站收集或者转载的文章,本站可能没有文章中的元件或产品,如果您需要类似的商品请 点这里查看商品列表!
本站协议 | 版权信息 |  关于我们 |  本站地图 |  营业执照 |  发票说明 |  付款方式 |  联系方式
深圳市宝安区西乡五壹电子商行——粤ICP备16073394号-1;地址:深圳西乡河西四坊183号;邮编:518102
E-mail:51dz$163.com($改为@);Tel:(0755)27947428
工作时间:9:30-12:00和13:30-17:30和18:30-20:30,无人接听时可以再打手机13537585389