第一章 AT89S51单片机实验及实践系统板简介
AT89S51单片机实验及实践系统板(以后简介系统板)集成多个硬件资源模块,每个模块各自可以成为独立的单元,也可以相互组合,因此,可以为不同阶层的单片机爱好者及单片机开发者提供不同的开发环境。
每个硬件模块介绍如下:
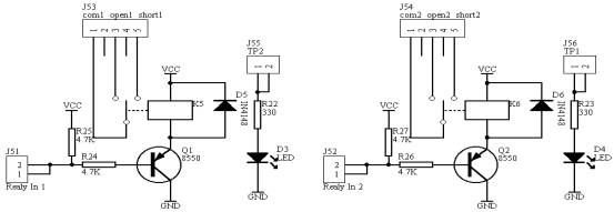
1.继电器控制模块
系统板上提供了2路继电器控制模块,分布在系统板的最左上端区域中,输入信号由Realy in 1和Realy in 2端口输入分别控制两路继电器,继电器控制的信号分别由最上端的两个插针输入和输出。分别称为“com1 open1 short1”,“com2 open2 short2”,由于这个两个继电器是单刀单掷控制,当继电器不吸合时,“com1”和“short1”相通,“com2”和“short2”相通;当继电器吸合时,“com1”和“open1”相通,“com2”和“open2”相通。其电路原理图1.1所示:
图1.1
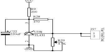
2.参考电压源模块
在系统板上写有“参考电压源”区域中,是由TL431来完成参考电压的调节,调节范围在0-2.50V之间;主要为是系统板上需要参考电压芯片或是为外部设备提供参考电压,由Var
Vref Out端口输出。其电路原理图如图1.2所示:
图1.2
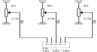
3.三路可调电压模块
此模块主要是用于提供0-5V之间的可变的模拟电压值,即可以作为参考电压源也可以作为模拟电压信号。这三路是相互独立的。分别对应着由VR1,VR2,VR3端口输出。具体的电路原理图如图1.3所示:
图1.3
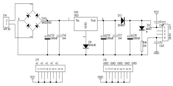
4.电源模块
电源模块为系统板上其它模块提供+5V电源,电源输入有两种方式,一种为交直流电源从电源插座输入,输入的电压要求,直流输入应大于7.5V,交流输入应大于5V,通过7805三端稳压器得到5V的直流电源供给系统其它模块工作,另一种为从USB接口获取+5V电源,只要用相应配套的USB线从电脑主机获取+5V直流电源,在电源模块中加有保护电路,即电路中有短路,不会对7805三端稳压器及电脑主机电源有损害!其电路原理图如图1.4所示:
图1.4
5.程序下载模块
该模块完成源程序代码下载到AT89S51或者是AT89S52芯片中,它需要和微机上的ISP下载器软件配合使用来完成这样的功能。具体的电路原理图如图1.5所示:
图1.5
6.232电平转换模块
232电平转换采用MAX232芯片把TTL电平转换成RS-232电平格式,可以用于单片机与微机通信,以及单片机与单片机之间的通信,在该系统板上提供了两个DB9的接口,其中一个用ISP下载器模块的程序下载接口,称为“ISP Interface”,另一个接口为单片机与其它具有RS232接口的通信端口,称为“Common Port”。具体的电路原理图如图1.6所示:
图1.6
7.频率产生器模块
该模块采用555芯片产生一些连续频率的方波信号,由“WAVE GND”端口输出,其稳定可调的频率范围在5KHz-100KHz之间变化。电路原理图如图1.7所示:
图1.7
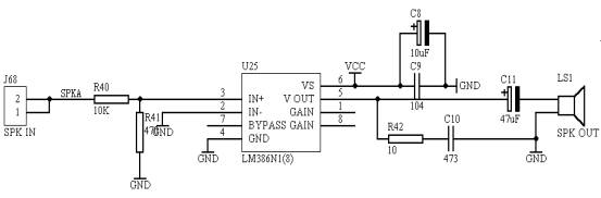
8.音频放大模块
该音频放大模块采用LM386芯片作为音频的功率放大,音频信号由“SPK IN”端口输入,信号的输出由“SPK OUT”端口输出,只要在“SPK OUT”接一个喇叭即可。具体的电路原理图如图1.8所示:
图1.8
9.模数转换模块
系统板上的模数转换模块采用ADC0809芯片,组成8路8位的A/D转换,8路模拟电压的输入由IN0-IN7的端口输入,控制ADC0809芯片工作的控制信号由“CLK OE EOC ST A2 A1 A0”端口输入,转换的数据从D0-D7的端口输出。具体的电路原理图如图1.9所示:
图1.10
11. 四路静态数码显示模块
在该模块中,每一路端口对应着一个具体的数码管,具体的电路原理图如图1.11所示:
图1.11
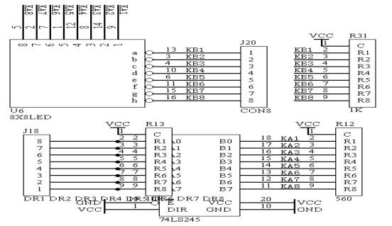
12. 8X8点阵模块
该系统板上提供了8X8点阵模块,用于理解单片机是如何控制点阵数码管的工作过程,它有两个输入控制端口,对于点阵数码管有行和列之分,这两个端口分别控制它们的行和列,“DR1-DR8”为8X8点阵模块的行信号控制端口,“DC1-DC8”为8X8点阵模块的列信号控制端口。具体的电路原理图如图1.12所示:
图1.12
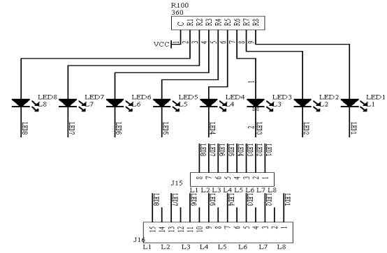
13. 八路发光二极管指示模块
该模块采用8个发光二极管作为指示信号作用,即可以用排线来控制,也可以单个地控制每个发光二极管的亮灭,当控制信号为低电平时,发光二极管亮,为高电平时,发光二极熄灭;控制电平的输入由“L1-L8”输入。电路原理图如图1.13
图1.13
14. 三八译码模块
在系统板上提供了三八译码模块,控制译码器译码信号由“C B A”端口输入,译出的控制信号由“Y0-Y7”输出。电路原理图如图1.14
图1.14
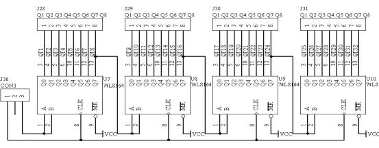
15. 串并转换模块
该系统板上采用了四个74LS164(移位寄存器)作为串并转换模块,这四路串并转换模块已经级连起来。串行数据从“RXD TXD”端口输入;具体的电路原理图如图1.15所示:
图1.15
16. 数模转换模块
系统板上的数模转换模块采用了8位的D/A转换芯片DAC0832来完成数模转换过程,DAC0832是电流输出型D/A转换芯片,因此,后面接有集成运放LM358来完成电流到电压的转换。其中的数字信号的输入从“D0-D7”端口输入,控制DAC0832工作的控制信号由“WR CS”端口输入,模拟量的输出从“AOUT”端口输出,由于LM358工作在双电源条件下,因此要给LM358加入±12V电压,从“+12V GND -12V”端口加入。具体的电路原理图如图1.16所示:
图1.16
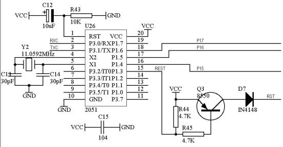
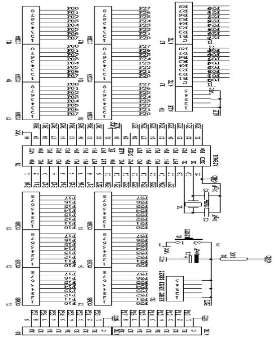
17. 单片机系统
该系统板上的单片机系统把全部的I/O端口资源提供出来,因此,在实际应用的时候,可以灵活地组合成不同的单片机应用系统,该单片机采用12MHZ晶振,具体的电路原理图如图1.17所示:
图1.17
18. 四路拨动开关模块
开关控制信号由“K1 K2 K3 K4”端口输出,具体的电路原理图如图1.18所示:
图1.18
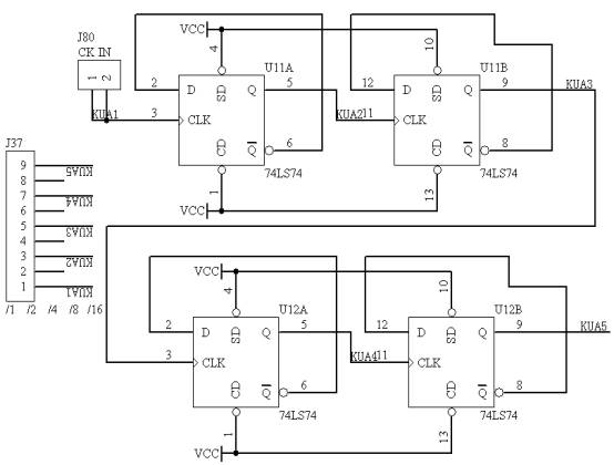
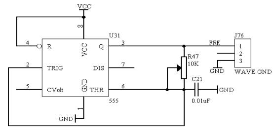
19. 分频模块
该系统板上的分频电路采用2片74LS74来完成最大16分频,输入的时钟信号由“CK IN”端口输入,经过2片74LS74分频后的信号分别由“/1 /2 /4 /8 /16”端口输出,分别表示未分频,2分频,4分频,8分频,16分频;具体的电路原理图如图1.19所示
图1.19
20. 四路单总线模块
为了适应新技术的需要,增加1-Wire总线接口,在本系统板上提供了四路1-Wire总线接口,数据传输通过“DQ1 DQ2 DQ3 DQ4”端口来完成;具体的电路原理图如图1.20所示:
图1.20
21. 二线总线模块(I2C总线)
为了适应新技术的需要,增加了2路I2C总线接口,适用8脚的I2C总线芯片,左边的“PIN1 PIN2 PIN3 PIN4 PIN5 PIN6”与上面的接口连接,右边的“PIN1 PIN2 PIN3 PIN4 PIN5 PIN6”与下面的接口连接;具体的电路原理图如图1.21所示:
图1.21
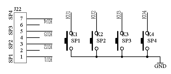
22. 独立式键盘模块
键盘是人机通信不可缺少的部件,独立式键盘是最基本的一种键盘方式,在本系统中提供了四个独立式按键;具体的电路原理图如图1.22所示:
图1.22
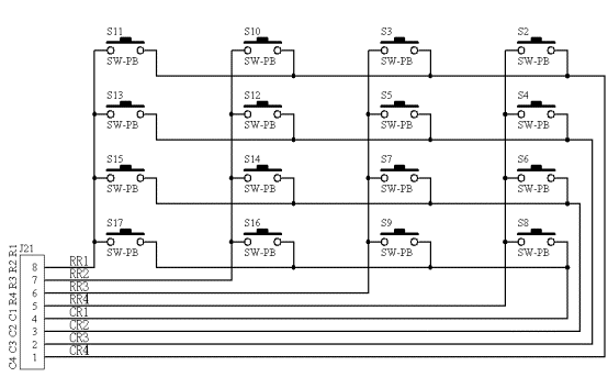
23. 4×4行列式键盘模块
行列式键盘也即矩阵式键盘,它由行和列组成,在每个行列的交叉点上放置一个按键,这样4×4行列式键盘共需要16个键盘组成;具体的电路原理图如图1.23所示:
图1.23
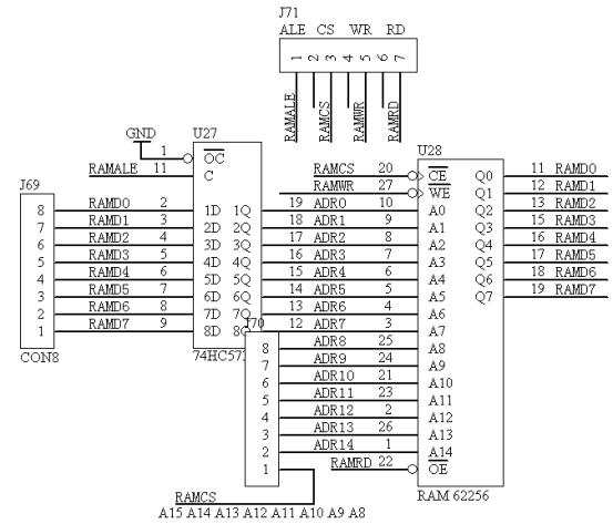
24. 32KB数据存储器模块
为了适应大容量的数据处理的需要,在系统板上加入了32KB数据存储器(RAM),数据总线从“D0-D7”的端口输入,高8位地址总线从“A8-A15”端口输入,控制数据存储器的读写控制信号从“ALE CS WR RD”端口输入,具体的电路原理图如图1.24所示:
图1.24
以上是“AT89S51单片机实验及实践系统板”的所有硬件资源简介,通过这24个模块之间的相互组合,可以设计出从基本的单片机系统到复杂的单片机应用控制系统的设计,是初学者对单片机入门和开发不可缺少的过程。